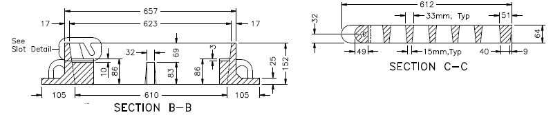
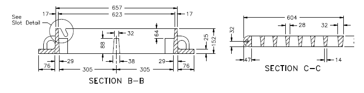
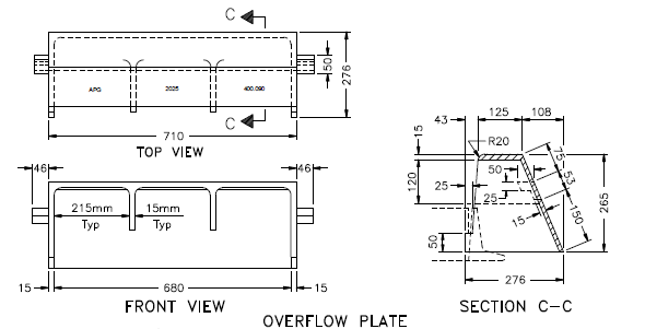
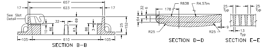
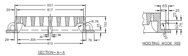
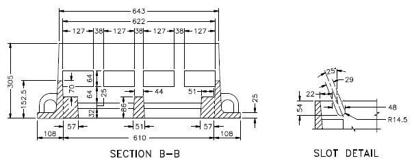
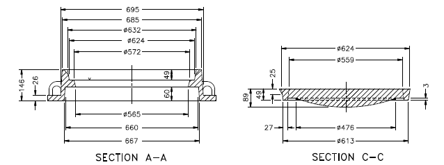
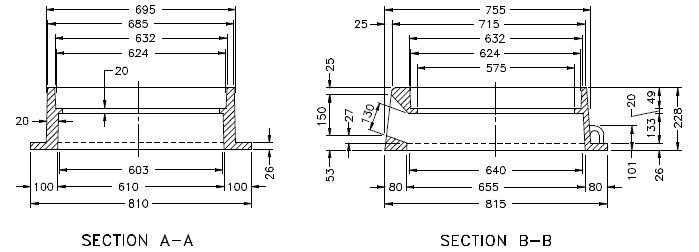
OPSD 400.010 Click here to see the shop drawing OPSD 400.020 Click here to see the shop drawing OPSD 400.030 Click here to see the shop drawing OPSD 400.070 Click here to see the shop drawing OPSD 400.080 Click here to see the shop drawing OPSD 400.081 Click here to see the shop drawing OPSD 400.082 Click here to see the shop drawing OPSD 400.090 Click here to see the shop drawing OPSD 400.100 Click here to see the shop drawing OPSD 400.110 Click here to see the shop drawing OPSD 400.120 Click here to see the shop drawing BEEHIVE CATCH BASIN FRAME & GRATE Click here to see the shop drawing OPSD 400.04 Click here to see the shop drawing OPSD 400.05 Click here to see the shop drawing